Y系列一般壓力表
文檔更新日期:2010-11-5???????點擊:
- 關 鍵 字:???一般壓力表,普通壓力表,耐震(抗震)壓力表
- 生產廠家:???澤天傳感
- 產品型號:???Y-60 Y-100 Y-150 YN-60 YN-100 YN-150
- 數據手冊: Y系列一般壓力表.pdf
- 產品特點:???結構簡單,性價比高
- 典型應用:???應用于輸送氣體,液體的管道及容器中測量無爆炸危險、無結晶、不凝固的壓力大小
產品介紹
Y-系列一般壓力表廣泛應用于輸送氣體,液體的管道及容器中測量無爆炸危險、無結晶、不凝固及對銅或銅合金不起腐蝕作用的液體、氣體、蒸汽等介質的壓力大小。YN-系列耐震(抗震)壓力表具有良好的耐震性能,特別適用于有機械強烈振動和介質壓力劇烈脈動的情況下。
型號命名
技術參數
注:接頭螺紋可按用戶要求,制作成管螺紋或錐管螺紋。
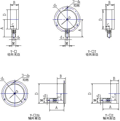
外形尺寸
Y系列一般壓力表的更多產品圖片


