YP系列膜片壓力表
文檔更新日期:2010-11-5???????點擊:
- 關 鍵 字:???YP系列,膜片壓力表
- 生產廠家:???澤天傳感
- 產品型號:???YP
- 數據手冊: YP系列膜片壓力表.pdf
- 產品特點:???由膜片部件,機芯部件,指針部件及外殼連接四大部件組成
- 典型應用:???測量無爆炸危險、不結晶、不凝固、有較高粘度,但對銅和銅合金無腐蝕作用的液體、氣體或蒸汽的壓力
產品介紹
YP系列膜片壓力表用來測量對鋼及銅等金屬不起腐蝕作用的液體,氣體等各種介質的壓力和負壓,YPF 防腐型可用于測量有腐蝕性氣體,液體等各種介質的壓力和負壓。膜片壓力表由膜片部件,機芯部件,指針部件及外殼連接四大部件組成。膜片作為儀表的彈性元件,當被測介質的壓力作用到膜片上,膜片產生一個位移,再經過機芯部件、指針部件的工作使要測的壓力清楚地在刻盤上指示出來。
用途
YP系列儀表適用于測量無爆炸危險、不結晶、不凝固、有較高粘度,但對銅和銅合金無腐蝕作用的液體、氣體或蒸汽的壓力。
技術參數
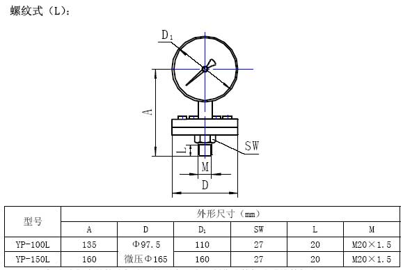
外形尺寸
注:螺紋式儀表的接頭螺紋可按用戶要求,制作成管螺紋或錐管螺紋。
YP系列膜片壓力表的更多產品圖片



